| |
|
| Pneumatic Connection Solutions: Pneumatic Fittings, Air Fittings, Push To Connect Fittings, Pneumatic Connectors. |
|
|
Applications
Grease, fuels, LP and Natural gas (available on special order), refrigeration, instrumentation and hydraulic systems., these fittings are completely interchangeable with full pattern fittings, but have been modified in some way. This modification is usually in the length of the pipe threads. Used in plumbing and light industrial applications.
Features
- Vibration resistance - Fair resistance to vibration and pipe movement depending upon conditions.
- Advantages - Fewer leaks in the system, Large range of sizes and configurations (extruded/barstocked, hex forged, nickel plated/round forged).
- Conformance - Meets functional requirements of the SAE J530 (Automotive Pipe Fittings), SAE J531 (Drain Plugs) and of ASA, ASME.
Specification
- Temperature Range: -65°F to +250°F (-53°C to +121°C) range at maximum operating pressures.
- Working Pressure: 1200 PSI Maximum based on size always consult tubing/pipe specifications.
|
Assembly Instructions

|
 |
1. Tighten approximately 2-1/2 turns past hand tight.
2. Fittings with Everseal tighten two turns past hand tight. Brittle materials require special cautions
3. Thread Sizes: M5, UNF 10, 1/8, 1/4, 3/8, 1/2, 3/4, 1, 1-1/4
4. Thread Types: NPT, NPSF, NPTF, Metric, BSPT, BSPP, UNF |
|
DOT Brass Pipe Fittings, Brass Threaded Fittings, Brass Hose Fittings |
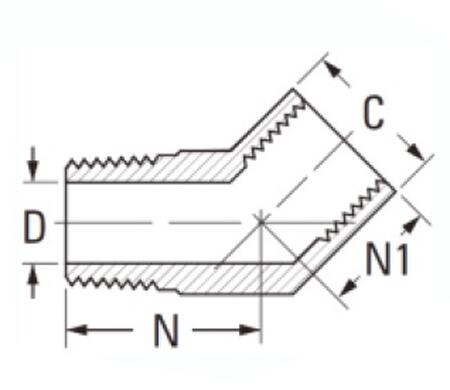
| 45 Degree Street Elbow |
45 Degree Street Elbow Brass Pipe Fittings |
|
|
|
NPSF Female Thread - NPT Male Thread |
| MODEL |
Female Thread |
Male Thread |
Description |
| DPLMF45 1/8NPSF-1/8NPT |
1/8 NPSF |
1/8 NPT |
45 Degree Street Elbow Brass Pipe Fittings 1/8NPSF Female - 1/8NPT Male |
| DPLMF45 1/4NPSF-1/4NPT |
1/4 NPSF |
1/4 NPT |
45 Degree Street Elbow Brass Pipe Fittings 1/4NPSF Female - 1/4NPT Male |
| DPLMF45 3/8NPSF-3/8NPT |
3/8 NPSF |
3/8 NPT |
45 Degree Street Elbow Brass Pipe Fittings 3/8NPSF Female - 3/8NPT Male |
| DPLMF45 1/2NPSF-1/2NPT |
1/2 NPSF |
1/2 NPT |
45 Degree Street Elbow Brass Pipe Fittings 1/2NPSF Female - 1/2NPT Male |
| DPLMF45 3/4NPSF-3/4NPT |
3/4 NPSF |
3/4 NPT |
45 Degree Street Elbow Brass Pipe Fittings 3/4NPSF Female - 3/4NPT Male |
|
BSPP Female Thread - BSPT Male Thread |
| MODEL |
Female Thread |
Male Thread |
Description |
| DPLMF45 G1/8-R1/8 |
G1/8 |
R1/8 |
45 Degree Street Elbow Brass Pipe Fittings G1/8 Female - R1/8 Male |
| DPLMF45 G1/4-R1/4 |
G1/4 |
R1/4 |
45 Degree Street Elbow Brass Pipe Fittings G1/4 Female - R1/4 Male |
| DPLMF45 G3/8-R3/8 |
G3/8 |
R3/8 |
45 Degree Street Elbow Brass Pipe Fittings G3/8 Female - R3/8 Male |
| DPLMF45 G1/2-R1/2 |
G1/2 |
R1/2 |
45 Degree Street Elbow Brass Pipe Fittings G1/2 Female - R1/2 Male |
| DPLMF45 G3/4-R3/4 |
G3/4 |
R3/4 |
45 Degree Street Elbow Brass Pipe Fittings G3/4 Female - R3/4 Male |
|
Metric Female Thread - NPT Male Thread |
| MODEL |
Female Thread |
Male Thread |
Description |
| DPLMF45 M12-1/8NPT |
M12 |
1/8NPT |
45 Degree Street Elbow Brass Pipe Fittings M12 Female - 1/8NPT Male |
| DPLMF45 M16-1/4NPT |
M16 |
1/4NPT |
45 Degree Street Elbow Brass Pipe Fittings M16 Female - 1/4NPT Male |
| DPLMF45 M16-3/8NPT |
M16 |
3/8NPT |
45 Degree Street Elbow Brass Pipe Fittings M16 Female - 3/8NPT Male |
| DPLMF45 M16-1/2NPT |
M16 |
1/2NPT |
45 Degree Street Elbow Brass Pipe Fittings M16 Female - 1/2NPT Male |
| DPLMF45 M22-1/2NPT |
M22 |
1/2NPT |
45 Degree Street Elbow Brass Pipe Fittings M22 Female - 1/2NPT Male |
| DPLMF45 M22-1/2NPT |
M22 |
3/4NPT |
45 Degree Street Elbow Brass Pipe Fittings M22 Female - 3/4NPT Male |
|
|
| |
|
|
|
|
|
|
|
Pneumatic Fittings, One touch tube fittings, Push in fittings, Air fittings, push to connect fittings, Push To Connect Tube fittings, All metal push in fittings, brass air fittings, Steckverschraubungen, Pneumatik-Zubehör, Pneumatyka, Drosselrückschlagventile, alle Gewindefittinge mit geradem G-Gewinde, NPT-Gewinde, NEUMÁTICA RACORES, Pneumatique raccord, Raccorderia. Plastic Pneumatic Fittings, Pneumatic Accessories, Pneumatic Push in Fittings, One Touch Fittings, Nickel Plated Brass Push in Fittings, Air Flow Control valves, Pneumatic flow control valves, Hand Valves, Air Silencers, Air Muffler, Nylon Tubing, Air Tubing, Quick Couplers, Air Line Fittings, Airline Fittings, Quick coupling, Push to Connect Tube Fittings, Pneumaitc Instant fittings, Metal Push in Fittings, Brass Air Fittings, Metal Instant Fittings, Brass Instant Fittings, Metal One Touch Fittings, Brass One Touch Fittings, Compact One Touch Fittings, Push in air fittings, Push in Instant Fittings, Tube Fittings, Air Quick Fit Fittings, Speed Controllers, Air Flow Control Valves, Hand Valves, Air Blow Guns, Mini Push in Fittings, Brass Fittings, Miniature Pneumatic push to connect fittings, Metric Push in Fittings, Compact One Touch Fittings, Flow Controller, Pneumatic Couplings, all brass air Fittings, Heavy Duty Air Duster Gun, Hand Throttle Valves, Inch Composit Push in Fittings, Inch Instant Fittings, Metric Instant Fittings, Two touch Fittings, pneumatic push on Fittings, Push To Connect schrader valves, Pneumatic Check valves, Stop fittings, Compression Fittings, Push lock misting Fittings, Push Fit Fittings, D.O.T. push to connect air brake fittings, DOT push in fittings, Brass D.O.T. air fittings, DOT air brake compression fittings, Threaded Fittings, BSP Fittings, DOT Air Hose Fittings, Brass Hose barb fittings, air connectors, air pipe fittings, Pneumatic Connectors, DOT Tubing, DOT Air Brake Tubing, SAE J844 air brake tubing, brass DOT air brake fittings, pneumatic component, Air Suspension |
|
|
|
|