| |
|
| Pneumatic Connection Solutions: Pneumatic Fittings, Air Fittings, Push To Connect Fittings, Pneumatic Connectors. |
|
|
| Application |
| LP and natural gas, flammable liquids, instrumentation, refrigeration, power steering, hydraulic and pneumatic systems. Used on low, medium and high pressure lines under the most adverse conditions, compatible with copper, brass, aluminum and steel hydraulic tubing that can be flared. |
| Features |
|
- Construction - Two piece body and nut, straight barstock & forged fittings.
- Good Vibration resistance - use long nut when greater vibration resistance is required.
- Conformance - Heavy duty flare fittings are manufactured to SAE specifications, Meets specifications and standards of ASA, ASME, SAE, and MS (Military standards).
- Reusability - Can be assembled and re-assembled repeatedly & Resists mechanical pull
|
| Specification |
- Temperature Range: -65°F to +250°F (-53°C to +121°C) range at maximum operating pressures.
- Working Pressure: up to 2000 psi depending on tube size. Will withstand burst pressure of standard tubing - up to 5000 psi with bundy-weld (double flared) and 3500 psi with copper tubing, depending on size. Obviously, Temperature and type of tubing used are important factors.
|
| Installation Instructions |
 |
- Cut tubing to desired lenght. Make sure all burrs are removed and ends are cut square.
- Slide nut on tube. Threaded and “A” of nut must face out.
- Flare end of tube with a 45° flaring tool. a-Measure flare diameter b-Examine flare for excessive thin out.
- Lubricat threads and assemble to fitting body. Nut should be turned hand out.
- Tighten assembly with wrench until a solid feeling is encountered. From that point, apply a one-sixth turn.
|
|
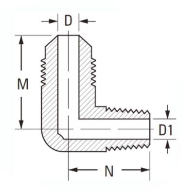
| SAE 45 Degree Flare Fittings - Brass Material |
| Forged 90 Degree Male Elbow |
Forged 90 Degree Male Elbow SAE 45 Degree Flare Fittings |
|
|
|
Male Flare - NPT Male Thread |
| MODEL |
Male Flare |
NPT Thread |
Description |
| LMMF 1/8-1/8NPT |
1/8 |
1/8NPT |
SAE 45 Degree Flare Fittings Forged 90 Degree Male Elbow 1/8 Flare 1/8NPT |
| LMMF 3/16-1/8NPT |
3/16 |
1/8NPT |
SAE 45 Degree Flare Fittings Forged 90 Degree Male Elbow 3/16 Flare 1/8NPT |
| LMMFS 1/4-1/8NPT |
1/4 |
1/8NPT |
Short SAE 45 Degree Flare Fittings Forged 90 Degree Male Elbow 1/4 Flare 1/8NPT |
| LMMF 1/4-1/8NPT |
1/4 |
1/8NPT |
SAE 45 Degree Flare Fittings Forged 90 Degree Male Elbow 1/4 Flare 1/8NPT |
| LMMFS 1/4-1/4NPT |
1/4 |
1/4NPT |
Short SAE 45 Degree Flare Fittings Forged 90 Degree Male Elbow 1/4 Flare 1/4NPT |
| LMMF 1/4-1/4NPT |
1/4 |
1/4NPT |
SAE 45 Degree Flare Fittings Forged 90 Degree Male Elbow 1/4 Flare 1/4NPT |
| LMMF 1/4-3/8NPT |
1/4 |
3/8NPT |
SAE 45 Degree Flare Fittings Forged 90 Degree Male Elbow 1/4 Flare 3/8NPT |
| LMMF 1/4-1/2NPT |
1/4 |
1/2NPT |
SAE 45 Degree Flare Fittings Forged 90 Degree Male Elbow 1/4 Flare 1/2NPT |
| LMMFS 5/16-1/8NPT |
5/16 |
1/8NPT |
Short SAE 45 Degree Flare Fittings Forged 90 Degree Male Elbow 5/16 Flare 1/8NPT |
| LMMF 5/16-1/8NPT |
5/16 |
1/8NPT |
SAE 45 Degree Flare Fittings Forged 90 Degree Male Elbow 5/16 Flare 1/8NPT |
| LMMFS 5/16-1/4NPT |
5/16 |
1/4NPT |
Short SAE 45 Degree Flare Fittings Forged 90 Degree Male Elbow 5/16 Flare 1/4NPT |
| LMMF 5/16-1/4NPT |
5/16 |
1/4NPT |
SAE 45 Degree Flare Fittings Forged 90 Degree Male Elbow 5/16 Flare 1/4NPT |
| LMMF 5/16-3/8NPT |
5/16 |
3/8NPT |
SAE 45 Degree Flare Fittings Forged 90 Degree Male Elbow 5/16 Flare 3/8NPT |
| LMMF 3/8-1/8NPT |
3/8 |
1/8NPT |
SAE 45 Degree Flare Fittings Forged 90 Degree Male Elbow 3/8 Flare 1/8NPT |
| LMMFS 3/8-1/4NPT |
3/8 |
1/4NPT |
Short SAE 45 Degree Flare Fittings Forged 90 Degree Male Elbow 3/8 Flare 1/4NPT |
| LMMF 3/8-1/4NPT |
3/8 |
1/4NPT |
SAE 45 Degree Flare Fittings Forged 90 Degree Male Elbow 3/8 Flare 1/4NPT |
| LMMFS 3/8-3/8NPT |
3/8 |
3/8NPT |
Short SAE 45 Degree Flare Fittings Forged 90 Degree Male Elbow 3/8 Flare 3/8NPT |
| LMMF 3/8-3/8NPT |
3/8 |
3/8NPT |
SAE 45 Degree Flare Fittings Forged 90 Degree Male Elbow 3/8 Flare 3/8NPT |
| LMMFS 3/8-1/2NPT |
3/8 |
1/2NPT |
Short SAE 45 Degree Flare Fittings Forged 90 Degree Male Elbow 3/8 Flare 1/2NPT |
| LMMF 3/8-1/2NPT |
3/8 |
1/2NPT |
SAE 45 Degree Flare Fittings Forged 90 Degree Male Elbow 3/8 Flare 1/2NPT |
| LMMF 3/8-3/4NPT |
3/8 |
3/4NPT |
SAE 45 Degree Flare Fittings Forged 90 Degree Male Elbow 3/8 Flare 3/4NPT |
| LMMF 1/2-1/4NPT |
1/2 |
1/4NPT |
SAE 45 Degree Flare Fittings Forged 90 Degree Male Elbow 1/2 Flare 1/4NPT |
| LMMFS 1/2-3/8NPT |
1/2 |
3/8NPT |
Short SAE 45 Degree Flare Fittings Forged 90 Degree Male Elbow 1/2 Flare 3/8NPT |
| LMMF 1/2-3/8NPT |
1/2 |
3/8NPT |
SAE 45 Degree Flare Fittings Forged 90 Degree Male Elbow 1/2 Flare 3/8NPT |
| LMMFS 1/2-1/2NPT |
1/2 |
1/2NPT |
Short SAE 45 Degree Flare Fittings Forged 90 Degree Male Elbow 1/2 Flare 1/2NPT |
| LMMF 1/2-1/2NPT |
1/2 |
1/2NPT |
SAE 45 Degree Flare Fittings Forged 90 Degree Male Elbow 1/2 Flare 1/2NPT |
| LMMF 1/2-3/4NPT |
1/2 |
3/4NPT |
SAE 45 Degree Flare Fittings Forged 90 Degree Male Elbow 1/2 Flare 3/4NPT |
| LMMF 5/8-1/4NPT |
5/8 |
1/4NPT |
SAE 45 Degree Flare Fittings Forged 90 Degree Male Elbow 5/8 Flare 1/4NPT |
| LMMFS 5/8-3/8NPT |
5/8 |
3/8NPT |
Short SAE 45 Degree Flare Fittings Forged 90 Degree Male Elbow 5/8 Flare 3/8NPT |
| LMMF 5/8-3/8NPT |
5/8 |
3/8NPT |
SAE 45 Degree Flare Fittings Forged 90 Degree Male Elbow 5/8 Flare 3/8NPT |
| LMMFS 5/8-1/2NPT |
5/8 |
1/2NPT |
Short SAE 45 Degree Flare Fittings Forged 90 Degree Male Elbow 5/8 Flare 1/2NPT |
| LMMF 5/8-1/2NPT |
5/8 |
1/2NPT |
SAE 45 Degree Flare Fittings Forged 90 Degree Male Elbow 5/8 Flare 1/2NPT |
| LMMF 5/8-3/4NPT |
5/8 |
3/4NPT |
SAE 45 Degree Flare Fittings Forged 90 Degree Male Elbow 5/8 Flare 3/4NPT |
| LMMF 3/4-1/2NPT |
3/4 |
1/2NPT |
SAE 45 Degree Flare Fittings Forged 90 Degree Male Elbow 3/4 Flare 1/2NPT |
| LMMF 3/4-3/4NPT |
3/4 |
3/4NPT |
SAE 45 Degree Flare Fittings Forged 90 Degree Male Elbow 3/4 Flare 3/4NPT |
| LMMF 7/8-1/2NPT |
7/8 |
1/2NPT |
SAE 45 Degree Flare Fittings Forged 90 Degree Male Elbow 7/8 Flare 1/2NPT |
| LMMF 7/8-3/4NPT |
7/8 |
3/4NPT |
SAE 45 Degree Flare Fittings Forged 90 Degree Male Elbow 7/8 Flare 3/4NPT |
| LMMF 1-3/4NPT |
1 |
3/4NPT |
SAE 45 Degree Flare Fittings Forged 90 Degree Male Elbow 1 Flare 3/4NPT |
| LMMF 1-1NPT |
1 |
1NPT |
SAE 45 Degree Flare Fittings Forged 90 Degree Male Elbow 1 Flare 1NPT |
|
| |
|
Accpet: Custom Made for Any other Sizes and Types |
|
|
|
Pneumatic Fittings, One touch tube fittings, Push in fittings, Air fittings, push to connect fittings, Push To Connect Tube fittings, All metal push in fittings, brass air fittings, Steckverschraubungen, Pneumatik-Zubehör, Pneumatyka, Drosselrückschlagventile, alle Gewindefittinge mit geradem G-Gewinde, NPT-Gewinde, NEUMÁTICA RACORES, Pneumatique raccord, Raccorderia. Plastic Pneumatic Fittings, Pneumatic Accessories, Pneumatic Push in Fittings, One Touch Fittings, Nickel Plated Brass Push in Fittings, Air Flow Control valves, Pneumatic flow control valves, Hand Valves, Air Silencers, Air Muffler, Nylon Tubing, Air Tubing, Quick Couplers, Air Line Fittings, Airline Fittings, Quick coupling, Push to Connect Tube Fittings, Pneumaitc Instant fittings, Metal Push in Fittings, Brass Air Fittings, Metal Instant Fittings, Brass Instant Fittings, Metal One Touch Fittings, Brass One Touch Fittings, Compact One Touch Fittings, Push in air fittings, Push in Instant Fittings, Tube Fittings, Air Quick Fit Fittings, Speed Controllers, Air Flow Control Valves, Hand Valves, Air Blow Guns, Mini Push in Fittings, Brass Fittings, Miniature Pneumatic push to connect fittings, Metric Push in Fittings, Compact One Touch Fittings, Flow Controller, Pneumatic Couplings, all brass air Fittings, Heavy Duty Air Duster Gun, Hand Throttle Valves, Inch Composit Push in Fittings, Inch Instant Fittings, Metric Instant Fittings, Two touch Fittings, pneumatic push on Fittings, Push To Connect schrader valves, Pneumatic Check valves, Stop fittings, Compression Fittings, Push lock misting Fittings, Push Fit Fittings, D.O.T. push to connect air brake fittings, DOT push in fittings, Brass D.O.T. air fittings, DOT air brake compression fittings, Threaded Fittings, BSP Fittings, DOT Air Hose Fittings, Brass Hose barb fittings, air connectors, air pipe fittings, Pneumatic Connectors, DOT Tubing, DOT Air Brake Tubing, SAE J844 air brake tubing, brass DOT air brake fittings, pneumatic component, Air Suspension |
|
|
|
|